Датчик автоуровня, 3D Touch
Описание
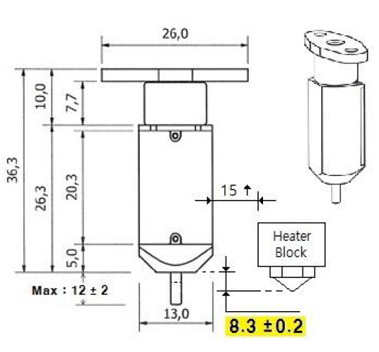
Датчик 3D-Touch (BLTouch) используется для автоматической калибровки зазора между соплом и нагревательным столом 3D принтера. Датчик 3D Touch представляет собой микропереключатель, который замыкается и размыкается в зависимости от касания штоком датчика поверхности стола. Также в датчике автоуровня предусмотрен механизм управления выдвижением этого штока и его скрытием в момент печати.
Характеристики
Электроника
Датчики
Отзывы

Покупатели, которые приобрели Датчик автоуровня, 3D Touch, также купили















